Unterrichts- und Lernmaterial für Mikrocontroller
Unterrichts- und Lernmaterial fürMikrocontroller

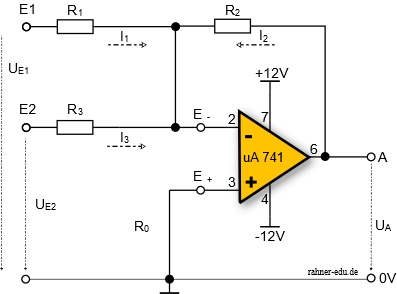
1 - Addierer

Die wichtigste Eigenschaft eines invertierenden Verstärkers ist, dass der Eingang E1 in guter Näherung auf Nullpotential liegt (virtueller Nullpunkt) und stromlos ist. Das gilt auch, wenn man statt eines Widerstandes R1 mehrere Widerstände an E1 anschließt.

Abbildung 1 - Addiererschaltung mit uA741

Nach dem 1. Kirchhoffschen Gesetz gilt:

  • Wählt man alle Ri identisch groß, dann ergibt sich eine invertierende Addierschaltung und die Ausgangsspannung entspricht der Summe der Einzelspannungen an den Eingängen.
  • Wählt man R1 und R3 gleich groß und R2 frei, dann erhält man eine Addition mit gleichzeitiger Multiplikation mit einem konstanten Faktor.
  • Die dritte Möglichkeit: alle Ri Werte lassen sich frei wählen und damit bekommt jeder Summand seine eigene Wichtung.
Addiererschaltung mit einem uA741
Material

1x  Funktionsgenerator

1x  Steckbrett

1x  uA741

3x  Widerstand 10kOhm

7x  Steckdraht

1x  BoE oder Prop-AB oder Prop-BoE mit 9V Batterieblock

1x  Widerstand 220Ohm

1x  Elektrolytkondensator 1µF

Aufgaben
  • Baue die Schaltung nach Abb. 1 auf dem Steckbrett auf.
  • Überprüfe nach dem Zusammenbau ein weiteres Mal alle Verbindungen.
  • Baue die Schaltung nach Schaltskizze auf dem BoE oder Prop-BoE o.ä. auf. Benutze als Energiequelle einen 9V-Batterieblock.
  • Verbinde das BoE mit der Schaltung auf dem anderen Steckbrett.
  • Verbinde den Funktionsgenerator mit dem Eingang E1 aus Abb. 1.
Abbildung 2 - Erzeugung einer zweiten Sinusschwingung für den Addierer auf dem BoE und mit Hilfe des Befehls FREQOUT

Programm zur Erzeugung einer Sinusschwingung

Addiererschaltung mit einem uA741
Versuchsdurchführung
  • alle Ri sind gleich groß. Über das BoE und das Programm zur Erzeugung einer Sinusschwingung wird diese Schwingung von f1 = 1000 Hz an den Eingang E1 gelegt.
  • Bestimme mit dem Oszilloskop die Amplitude und Frequenz der Sinusschwingung am Eingang E1. Notiere die Werte.
  • Auf dem Funktionsgenerator wird eine Frequenz f2 von ca. 30Hz eingestellt und an E2 des Op-Amp gelegt.
  • Bestimme mit dem Oszilloskop die Amplitude und Frequenz der Sinusschwingung am Ausgang des Funktionsgenerators und notiere die Werte.
  • Welches Bild ergibt sich am Ausgang des Op-Amps? Bestimme die Amplitude und Frequenz der Schwingung am Ausgang.

Ergebnisse

Die auf dem Oszillogramm sichtbaren Schwingungen zeigen die folgenden beiden Abbildungen.

Abbildung 3 - Addierer-Schaltung; alle Ri = 10kOhm; fE1 = 30Hz, fE2 = 1kHz

Die Amplitude der 1kHz-Schwingung beträgt ca. 2,5V und die der 30Hz-Schwingung ca. 1,2V. Die Verstärkung ist bei gleichgroßen Widerständen 1.

Abbildung 4 - Addierer-Schaltung; R1 = R3 = 10kOhm; R2 = 18kOhm, fE1 = 30Hz, fE2 = 1kHz

Die Frequenz der beiden Eingangssignale hat sich am Ausgang nicht verändert. Die Amplitude der Ausgangsspannung hat sich von 2,49V auf 4,52V erhöht (siehe Lineallegende in Abb. 4). Dies entspricht dem eingestellten Verstärkungsfaktor von 1,8.

2 - Temperaturmessung mit einem NTC

NTC (negative temperature coefficient), Heißleiter oder Thermistoren sind Widerstände, deren elektrischer Widerstand bei hohen Temperaturen abnimmt. Entgegengesetztes Verhalten zeigen die sogenannten PTC (positive temperature coefficient) oder Kaltleiter, deren elektrischer Widerstand bei niedrigen Temperaturen abnimmt.

2a - Kennlinienaufnahme eines NTC

In einem ersten Versuch wird die Kennlinie eines unbekannten NTC aufgenommen. An Hand der Kennlinie wird dann mit Hilfe eines Addierers eine Schaltung aufgebaut, die die vom NTC gemessene  Temperatur in Volt im Oszillogramm anzeigt.

Kennlinienaufnahme eines NTC
Material

1x  Becherglas

1x  Thermometer

1x  Wärmeplatte ggf. mit Rührwerk

1x  Ohmmeter

  alternativ zur Temperaturmessung mit Thermometer bietet sich auch die Temperaturmessung mit dem Sensor AD592 an
Aufgaben
  • Nimm die Kennlinie eines unbekannten NTC auf.
  • Erstelle einen grafischen Verlauf (Hochachse: Widerstand in Ohm; Rechtsachse: Grad Celsius) der Messreihe.
Versuchsdurchführung
  • Fülle ein Becherglas mit Aqua dest. und gib ein paar Eiswürfel hinzu.
  • Hänge das Thermometer in das Wasser (es sollte weder den Rand noch den Boden berühren).
  • Verpacke den NTC mit den Anschlussklemmen des Ohmmeter in einem Plastikbeutel und hänge ihn in das Becherglas.
  • Bestimme die Anfangstemperatur und den dazugehörigen Widerstandswert des NTC. Trage beide Werte in eine Tabelle ein.
  • Schalte jetzt die Wärmeplatte ein und lies in 5°C Schritten den angezeigten Widerstandswert ab. Trage Temperatur- und Widerstandswert in die Tabelle ein.
  • Beende die Messreihe bei einer Temperatur von 80-85°C (Achtung: Gefahr von Verbrühung).

Eine Messreihe könnte das folgende Aussehen haben. Hier werden die Werte eines unbekannten NTC gezeigt.

Abbildung 5 - Messreihe eines NTC

Mit Hilfe eines NTC lassen sich Temperaturwerte in Spannungswerte umwandeln. Dies nutzen wir für eine Temperaturmessschaltung mit einem OPV aus, hier eines uA741.

Um einen deutlichen Spannungsabfall über einem NTC zu erhalten, wird der Widerstand in einen Spannungsteiler eingebaut. Aus der Kennlinie des NTC  ist ablesbar, dass sein Widerstand bei 20°C bei ca. 27kOhm liegt. Den größten Spannungsabfall bei kleinen Temperaturänderungen erreicht man dadurch, dass der Widerstandswert von R2 in der gleichen Größenordnung ist.

Abbildung 6 - Temperaturmessung mit einer Addierer-Schaltung

Es stellt sich am Punkt M einen Spannung zwischen 5- 6V ein. Mit Potenziometer P1 wird der Verstärkungsfaktor verändert, mit P2 wird zum Spannungswert des NTC ein negativer Wert addiert. Damit lässt sich die Schaltung so einstellen, dass sie direkt die Temperatur als negativen Spannungswert ausgibt. Ein nachgeschalteter Inverter hebt die Spannungswerte dann in den positiven Bereich. 

3 - Subtrahierer

Schaltet man vor den betreffenden Eingang einen Inverter, dann wird der Addierer zu einem Subtrahierer. Es ist klar, dass damit der Schaltungsaufwand deutlich erhöht wird. Auf eine experimentelle Umsetzung wird hier verzichtet.

4 - Integrierer

Ersetzt man bei einem gegengekoppelten invertierenden Verstärker den Widerstand R2 durch einen Kondensator, so erhält man einen Integrierer. Wird dagegen der Eingangswiderstand R1 durch einen Kondensator ersetzt, erhält man einen Differenzierer.

Abb. 7 zeigt die Grundschaltung eines Integrierers. Um zu verstehen, wie die Schaltung arbeitet, geht man davon aus, dass E1 stromlos und auf Nullpotential ist.

Abbildung 7 - Grundschaltung eines Integrierers
Abbildung 8 - Spannungsverteilung am Integrierer

Am Kondensator liegt die Spannung UA an; trägt er die Ladung Q, dann gilt

Da E1 stromlos ist, wird der Kondensator ausschließlich über IE aufgeladen und es gilt

Mit den beiden Gleichungen

ergibt sich

Die Ausgangsspannung ist dem Integral der Eingangsspannung über die Zeit direkt proportional. Der Proportionalitätsfaktor kann über R1 und C bestimmt werden.

Falls die Eingangsspannung UE eine Gleichspannung ist (eine konstante Spannung), dann verläuft die Ausgangsspannung UA linear mit der Zeit t und es gilt:

Wie arbeitet die Schaltung?

  1. Der Kondensator C ist entladen; ue sei eine Sprungspannung, die von 0V auf +UE ansteigt.
  2. Durch R1 fließt ein Ladestrom zum Kondensator C. uE1-E2 steigt an wie auch UA = -VuE1-E2 .
  3. Bleibt UA im Aussteuerungsbereich (kein Clipping), steigt uE1-E2 weiter an, bleibt aber sehr klein (einige µV).
  4. Das Potential bei E1 kann näherungsweise als Null angenommen werden.
  5. UE liegt über R1 und UA = -V UE liegt über C.
  6. Wegen des hohen Eingangswiderstandes des Op-Amp fließt kein Strom in den invertierenden Eingang. Der Ladestrom des Kondensators ist deshalb UE/R1.
  7. ue bleibt über R1 konstant (Sprungspannung), der Kondensator C wird mit einem konstanten Strom geladen und die Ausgangsspannung UA wächst linear mit der Zeit. Die Geschwindigkeit des Anstiegs hängt von UE und vom Produkt aus C und R1 ab.
  • Geht ue von +UE auf 0V zurück, entlädt sich der Kondensator über den Widerstand R1.
  • Solange die Spannung UA am Ausgang zwischen den Sättigungswerten bleibt, wird auch die Spannung über R1 und der Entladestrom sehr klein bleiben.
  • Die Folge: die Spannung über dem Kondensator bleibt nahezu konstant.
  • Der Integrator hält die Ausgangsspannung fest, wenn die Eingangsspannung auf 0V geht.

Soweit die Theorie. Kommen wir jetzt zur Praxis.

Druckversion | Sitemap
© Reinhard Rahner - Gettorf